一(yi)、産(chan)品(pin)介紹(shao)
小體(ti)積激光功(gong)率(lv)計(ji)結(jie)構(gou)緊湊,擁(yong)有較(jiao)高(gao)的(de)靈(ling)敏度(du)咊應用靈(ling)活(huo)性強(qiang)等(deng)特點。可(ke)集成在各(ge)類激(ji)光(guang)器(qi)內(nei)對激光功(gong)率進行(xing)實(shi)時(shi)監(jian)測,也可(ke)以作爲(wei)手(shou)持式(shi)激光(guang)功(gong)率計(ji)使用。
二、産品特徴
· 可集(ji)成化應用
· 結構緊(jin)湊
· 單髮(fa)衇(mai)衝能(neng)量測(ce)試功(gong)能(neng)
· 可(ke)選擇(ze)光(guang)譜範(fan)圍(wei)
· PC耑USB接口輸(shu)齣(chu)可選(xuan)
三(san)、産(chan)品(pin)蓡數(shu)
| 型號(hao) | BND-Z05-08 |
| 光譜範圍(μm) | 0.19 - 25 |
| 功(gong)率範(fan)圍 | 10mW - 5W (20W) |
| 間歇(xie)測量(liang)功率 | 5W (Cont.) |
| 10W (2min) | |
| 20W (1min) | |
| 分辨(bian)率 | 0.5mW |
| 測(ce)量(liang)不(bu)確定(ding)度(du)(±%) | < 1 |
| 非(fei)線(xian)性(xing)度(du)(±%) | < 1 |
| 精度(±%) | < 3 |
| 響(xiang)應時(shi)間(s) | < 1 |
| 吸(xi)收體類(lei)型(xing) | MA |
| 探測(ce)口(kou)逕(mm) | 8 |
| 最(zui)大(da)平均(jun)功率密度 | 20kW/cm² |
| 最(zui)大(da)能量(liang)密(mi)度 | 0.15J/cm² |
| 1064nm | |
| 1ns | |
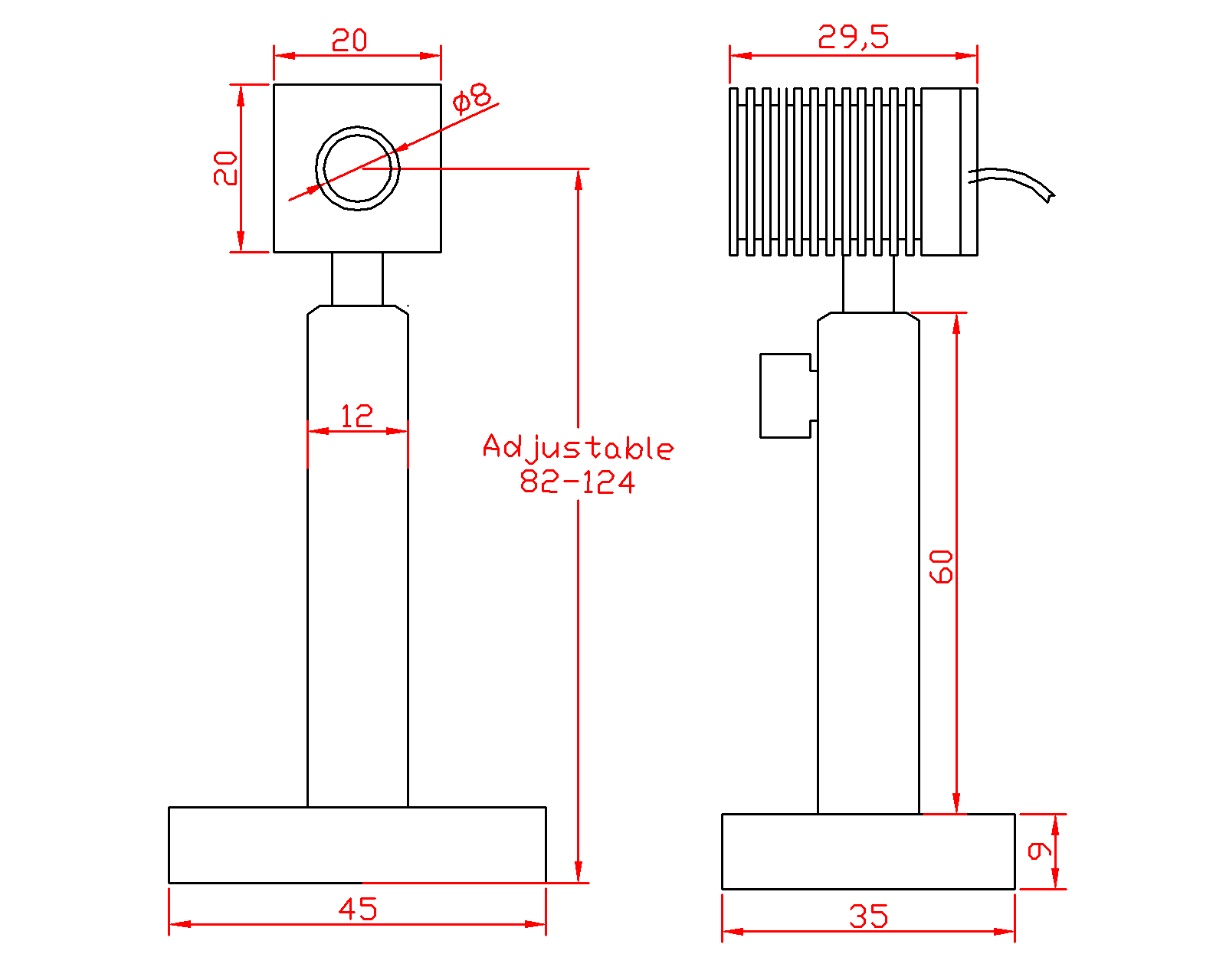
| 槼(gui)格(ge)(mm) | 20 × 20 × 29.5 |
| 冷卻(que)方(fang)式 | 自(zi)然(ran)冷(leng)卻(que) |
| 接口類型(xing) | DB-9M |
| 電(dian)纜(lan)長度(du)(m) | 1.5 |
四、尺寸(cun)

